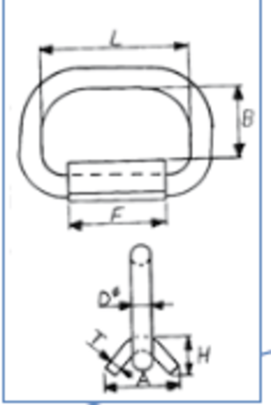
| Item no. | Breaking force kN | Type.Code | Dim mm | Kg | ||||||||
| A | B | D | E | F | H | K | L | T | N.W. | |||
| 0602107 | 200 | LE 20 | 70 | 55 | 16 | – | 75 | 31 | – | 120 | 10 | 1.1 |
| 0602109 | 300 | LE 30 | 75 | 55 | 20 | – | 100 | 37 | – | 135 | 12 | 1,80 |
| 0602111 | 400 | LE 36 | 80 | 75 | 22 | – | 70 | 43 | – | 100 | 15 | 1.95 |
| 602108 | Link for lashing eyes LE 20 | |||||||||||
| 602110 | Link for lashing eyes LE 30 | |||||||||||
| T1990352 | Link for lashing eyes LE 36 | |||||||||||